Кошик порожній
Перехресний вимикач 10АХ 250В гвинт. Клеми Valena IN MATIC механізм
- Номінальний струм 10А, напруга 250 Ст.
- Фіксоване положення в монтажній коробці
- Міцність, надійність і безпека монолітного механізму за рахунок матеріалів з яких він виготовлений ( сталь і полікарбонат)
- Ступінь пиловологозахисту IP20
- Монтаж без використання інструментів - з допомогою автоматичних затискачів
- Використовується з рамками та особі,вимі панелями Valena Life або Valena Allure
- Проста установка підсвічування, арт 0 676 84, і індикації арт 6 650 91
- Профіль "ластівчин хвіст" - швидка і надійна збірка горизонтальних і вертикальних груп механізмів
- Захисна кришка і супорти для монтажу на захопленнях або гвинтах в комплекті поставки
- Прямий доступ до контролю напруги без вилучення механізму
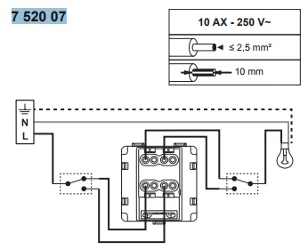
- Схема підключення на задній панелі
Габаритний розмір
А = 75мм, В = 75мм, З = 37.5 мм, D = 10мм.

Схема підключення

Замовлення на механізми inMatic Valena Life/Allure приймається через інтернет-портал ELMAR компанії Світлотехніка або за телефонами: 044 593 9818, а також по електронній пошті elmar@svt.org.ua