Одноклавішний двополюсний вимикач бронза Asfora
Двополюсний вимикач з однією клавішею. Застосовується для одночасного відключення нуль і фази, при цьому заземлення завжди залишається підключеним. Застосування такого вимикача виправдано в місцях де є ймовірність пробою лінії і потрібно убезпечити систему. Корпус виготовляється з ударостійкого пластику, стійкого до подряпин. Колір Бронза, чудово поєднується з декоративними рамками різного кольору серії Asfora. Прихований Монтаж.
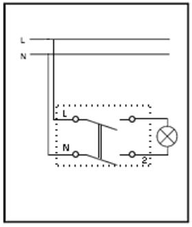
Схема підключення

|
Бренд:
|
Schneider Electric
|
|
Сімейство:
|
Asfora
|
|
Країна виробництва:
|
TR
|
|
Виробник:
|
Schneider Electric
|
_Замовлення та Термін поставки
|
Термін постачання:
|
за погодженням
|
Інсталяція та дизайн
|
Вид монтажу:
|
Скрытый
|
|
Глибина загальна, мм:
|
42
|
|
Довжина, мм:
|
83
|
|
Клеми:
|
Самозажимные контакты
|
|
Колір:
|
Бронза
|
|
Матеріал панелі/клавіші:
|
ABS пластик
|
|
Напруга,:
|
250
|
|
Особливості продукту:
|
Материал -высококачественный ABS пластик, стойкий к возгоранию, механическим повреждениям и негативному воздействию Уф-излучений.
|
|
Перевага перед аналогами:
|
Особисте співвідношення ціна/якість. Нижній ціновий діапазон за збереження якості бренду
|
|
Перетин проводу, що підключається, мм.кв.:
|
2х2,5 жесткий/гибкий
|
|
Струм, А:
|
10
|
|
Ступінь захисту, IP:
|
20
|
|
Схема включення:
|
Двухполюсный одноклавишный включатель/Выключатель электрический бытовой по схеме 5
|
|
Тип навантаження, що підключається:
|
Активная, не превышающая максимально разрешенной мощности 2,5 кВт <250 В х 10 А
|
|
Тип продукту:
|
Выключатель электрический бытовой
|
Де придбати
|
Постачальник:
|
Інтернет-портал Elmar, Світлотехніка Київ
|
|
Телефон:
|
097 439-6335 е-мейл: elmar1@svt.org.ua
|
_Додаткова інформація
|
Додаткова інформація про продукцію Schneider Electric:
|
Додаткову інформацію про продукцію, у разі недостатності її на сайті ELMAR.COM.UA, можна дізнатися на сайті виробника та постачальника www.se.com
|