Выключатель-кнопка сталь Asfora
Выключатель без фиксации положения, кнопка, используется для контролированной коммутации в сети с нагрузкой до 2,5кВт. Корпус изготовлен из пластика стойкого к царапинам и возгоранию, а специальное покрытие защищает от ультрафиолета - благодаря чему может использоваться на открытых площадках, террасах и приусадебных участках. Установка скрытая, в монтажную коробку.
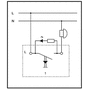
Схема подключения

Заказ на Выключатели и розетки Asfora Schneider Electric принимается через интернет-портал ELMAR компании Светотехника или по телефонам: 044 593 9818, а также по электронной почте elmar@svt.org.ua
выключатели Шнайдер
светильники накладные
кабель огнестойкий пожарной сигнализации
купить автомат 16 ампер
Дифференциальные реле Eaton-Moeller
Forix Legrand наружные розетки
купить оборудование защиты сети Шнайдер
купить автомат 25 ампер
Купить дифавтомат Schneider Electric
PLEXO Legrand герметичные выключатели
купить низковольтное оборудование
встраиваемые светильники
Похожие товары