Реле контролю напруги РН-111 М і РН-113
04 червня 2015 року на складі компанії р. в Києві з'явилися реле контролю напруги на 16 і 32 А виробництва компанії «Новатек - Електро».
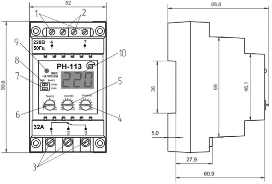
Однофазні реле контролю напруги має цифровий дисплей, вбудований вольтметр з регулюванням верхнього і нижнього порогу відключення, а також встановленням часу повторного включення. Якщо навантаження більше ніж номінальний струм реле, необхідно додатково застосовувати модульний контактора.
Ціна продажу станом на 04.06.2015 р складають:
| Артикул | Найменування | Ціна грн/шт з ПДВ |
| 2260016313 | РН-111 М 1-фазний 16А | 547.20 |
| 2260020238 | РН-113 1-фазний 32А | 581.40 |
При відсутності на складі поставка проводиться протягом тижня.
ПРИЗНАЧЕННЯ:
Реле напруги РН-111M призначені для відключення побутових і промислових пристроїв 1-фазної навантаження будь-якої потужності при неприпустимих коливаннях напруги в мережі з подальшим автомати-ленням включенням після відновлення параметрів мережі: • при потужності навантаження до 3,5 кВт (до 16 А ) відключення проводиться безпосередньо вихідними контактами реле, включеними в розрив живлення навантаження; • при потужності, що перевищує 3,5 кВт (16 А) відключення здійснюється магнітним пускачем (МП) відповід-ної потужності, розрив живлення котушки якого включені вихідні контакти реле.


Реле напруги РН-113 призначено для відключення побутової та промислової однофазної навантаження будь-якої потужності при неприпустимих коливаннях напруги в мережі (після відновлення параметрів мережі включення відбудеться автоматично). При потужності навантаження до 7,0 кВт (струм до 32 А) відключення проводиться безпосередньо РН-113, вихідні контакти яких включені в розрив живлення навантаження. При потужності, що перевищує 7,0 кВт (струм більше 32 А) відключення здійснюється магнітним пускачем відповідної потужності, розрив живлення котушки якого включені вихідні контакти РН-113. Магнітний пускач в комплект поставки не входить.- реле напруги;
- реле мінімальної напруги;
- реле максимальної напруги;
- реле часу з затримкою на включення.
- РН-113 індукує діюче значення вхідної напруги і стан вихідного реле.


Нагадаємо, що АСТ -Світлотехніка є офіційним дистриб'ютором компанії OSRAM в Україні. У нас можна придбати рідкісні і замовні лампи, які необхідні для використання в побуті, медицині, офісах і магазинах. Постійно на складі підтримуються у наявності основні позиції люмінесцентних, металогалогенних, ртутних та інших джерел виробництва ОСРАМ. Ціни вказані стартові оптові грн/од з ПДВ. Оптовим покупцям надаються знижки.
Коментарі
Не знайдено дописів