Светодиодные трубки серии G13 T8 EcoFit
Новое поколение led ламп t8 g13 для замены люминесцентных источников представила копания Philips. Какие характеристики и возможные схемы подключения светодиодных трубок G13 Т8 новой серии рассмотрим более детально в этой статье.

20 апреля 2016 года
Киев, Украина – EcoFit светодиодная трубка G13 стала доступна для заказов в Украине и в скором времени будет доступна также и из наличия на складе компании в Киеве. Это новое поколение светодиодных трубчатых источников света, которые предназначены для полноценной замены устаревших морально люминесцентных ламп. Кроме того, как известно led не содержат вредных веществ и соединений таких, как ртуть, свинец и фосфор. Весьма простая замена в уже установленных светильниках делает процесс подключения простым и коротким во времени.
Характеристики и преимущества EcoFit
- Световая отдача на 40% выше;
- Потребляемая энергия ниже более чем в 2,5 раза;
- Для помещений где не нужна высокая цветопередача.
• Экономия электроэнергии > 55%
• Продолжительный срок службы без потери яркости
• Прост в установке
Комфортно для глаз
|
![]() |
Схемы переподключения
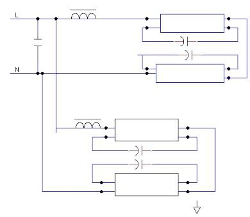
Вариант 1. Замена в 4-ламповом светильнике 4x18вт (60cм)
![]() |
ЭМПРА + Люминесцентная лампа Необходимо изменение электрической цепи:
|
![]() |
ЭМПРА + Светодиодная трубка
Условные обозначения: ЭМПРА Стартер Конденсатор |
Вариант 2. Замена в одноламповом светильнике 1х18Вт; 1х36Вт (лампы 60/120/150см)
![]() |
ЭМПРА + Люминесцентная лампа |
| ЭМПРА + Светодиодная трубка |
Вариант 3. Замена в 2-ламповом светильнике 2x36вт (120cм)
![]() |
ЭМПРА + Люминесцентная лампа |
| ЭМПРА + Светодиодная трубка |
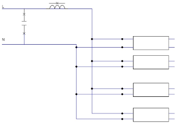
Вариант 4. Подключение к сети 220В напрямую

Напомним, что ТОВ "АСТ "Светотехника" является официальным партнером компании Philips в Украине. Постоянно поддерживаются товарные запасы ламп и светильников известного бренда на складе в Киеве. На портале цена указана стартовая оптовая в грн/штуку с НДС. Оптовикам предоставляются скидки. Заказать и купить лампы и светильники и другую продукцию можно по телефонам: Киев 593-9818
Комментарии






